Bronco Auto stop kit for ATV vinsj

kr 1295

Delbetaling fra kr 136/måned

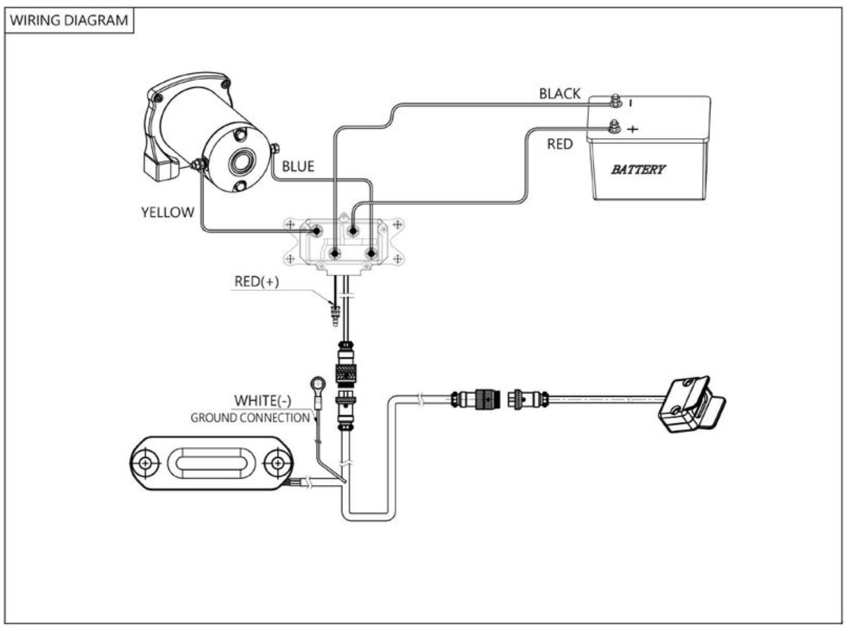
Gjør vinsjing enklere og tryggere med dette automatiske stoppsettet fra Bronco. Ideell løsning for situasjoner der vinsjen ikke kan trekkes helt inn, f.eks. ved bruk av snø-skjær.

På lager

4500 NYLON ROPE

Slitesterkt 10 meter langt nylon-tau for vinsj med 4500 lbs kapasitet. Lett og fleksibelt tau som gir sikker og pålitelig ytelse under krevende forhold. Perfekt som erstatningstau for ATV- og UTV-vinsjer. Enkel å montere og skånsom mot trommel og utstyr.

 

Beskrivelse

Gjør vinsjing enklere og tryggere med dette automatiske stoppsettet fra Bronco. Ideell løsning for situasjoner der vinsjen ikke kan trekkes helt inn, f.eks. ved bruk av snø-skjær. Anbefales også for kjøretøy som kjøres av flere eller uerfarne sjåfører.

Sensordelen kobler fra strømmen til vinsjen når den berører vaierføringen, og forhindrer at vinsjen blir overbelastet og skader komponenter. Enkel å installere i stedet for standard vaierføring.

MERK: Krever rundt syntetisk tau for installasjon. Ikke kompatibel med stålvaier. Stoppsettet fungerer kun via styrebryteren. Fjernkontrollfunksjonen vil fortsatt fungere som normalt å overstyre sensor.